PIC 12F629 Board v1
Panel of 88 small circuit boards. Includes 22 Microchip PIC 12F629 microcontrollers, and 22 sets of H-bridge boards.
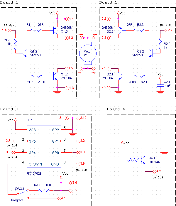
- H-Bridge1
- First half of the H-Bridge

- H-Bridge2
- Other half of the H-Bridge

- 12f629
- Microcontroller Board

- Connection
- Connection board. Part number and function are unknown.

These boards were originally intended as smart motor controllers for robotics projects.
A set of boards would wrap around the gearbox of a small camera servo motor, see picture below.
Each motor controller consists of 5 boards.
Each panel has 22 sets of 4 boards containing all of the circuit elements, but the header boards are not included.

The schematic for the boards is as follows.

Thanks for looking!
price: $15 CAD per panel
Local pickup in downtown Toronto encouraged.
Shipping
to Canada $2.00 to the USA $3.00 to all other destinations $5.00
* I will consider alternate methods of payment and/or shipping on request, please Email me about it.